来源:远东泵业 发布日期
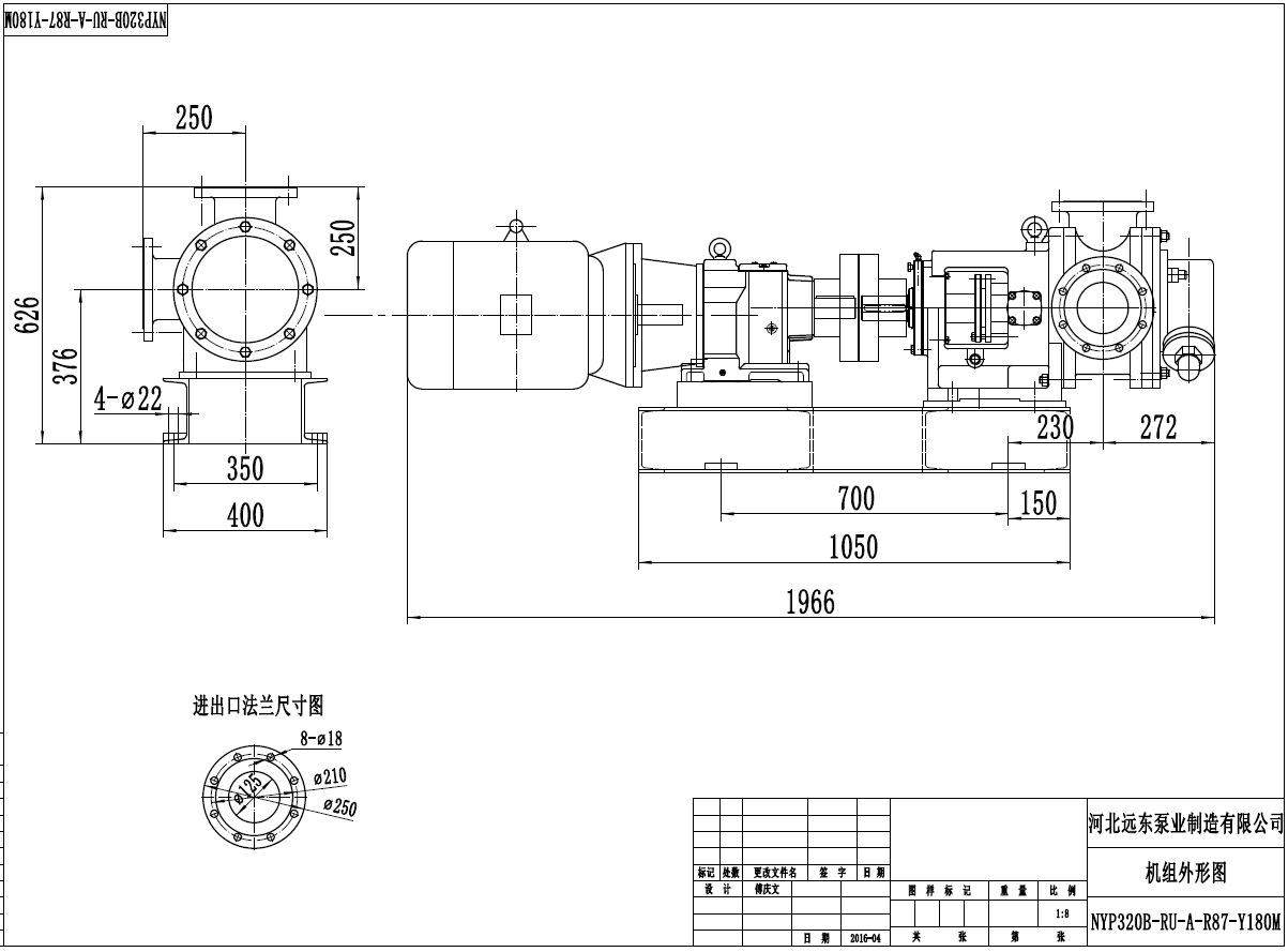
2019-03-09 14:00 浏览:-高粘度齿轮泵适用介质温度:-10℃ - 150℃NYP高粘度泵适用介质粘度:1.0cst - 300,000cst高粘度泵应用: NYP高粘度泵适用于石油、化工、涂料、油脂、医药、染料、食物等行业.高粘度齿轮泵输送液体平稳、无脉动、振动小、噪音低。

【本文标签】:齿轮泵型号 齿轮油泵价格 齿轮泵参数 齿轮泵型号大全
【责任编辑】:远东泵业 版权所有:http://lrryh.v6ts.cn/转载请注明出处