来源:远东泵业 发布日期
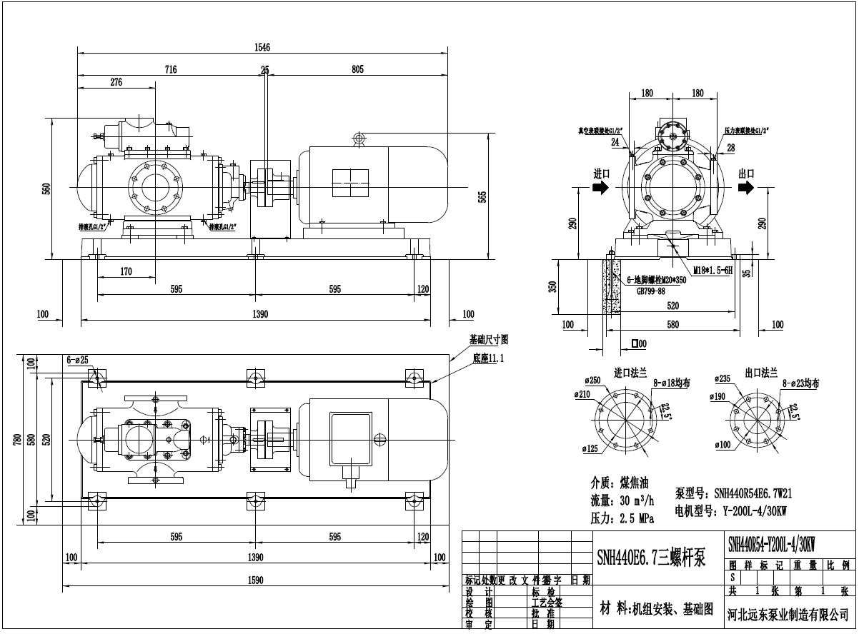
2019-03-09 13:56 浏览:-煤焦油输送泵SNH440R46E6.7W212螺杆泵机组图。重油煤焦油泵是为重油煤焦油的转输增压喷射燃烧,重油煤焦油泵煤焦油深加工工艺过程中而特别设计的,适用于耐高温200°C抗杂质性强,压力稳定,保压时间长等特点。本系列重油煤焦油泵使用寿命是同种一般齿轮泵的10倍以上。

【本文标签】:齿轮泵型号 齿轮油泵价格 齿轮泵参数 齿轮泵型号大全
【责任编辑】:远东泵业 版权所有:http://lrryh.v6ts.cn/转载请注明出处