来源:远东泵业 发布日期
2019-12-06 08:21 浏览:-水电厂用3G70*6C2调速器压油泵配55kw-4电机.
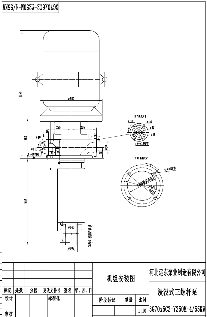
水电厂用3G70*6C2调速器压油泵产品图片

水电厂用3G70*6C2调速器压油泵
●3GC三螺杆泵概述:
3GC系列水电行业专用三螺杆泵是使用在水力发电机组水轮机调速器油源装置的供油系统和压油系统上,是在3G三螺杆泵和3GJ三螺杆泵基础上研发出的新型中高压三螺杆泵产品,严格按照三螺杆泵国家标准GB/T10886-2002设计开发生产制造的三螺杆泵产品。

●3GC三螺杆泵主要技术参数:
1、流量范围:10~2000 L/min (升/分钟) 0.6~120m3/h (立方/小时)
2、压力范围:0~6.3 Mpa(兆帕)0~63bar(巴) 0-63kg/f (公斤力/平方厘米)
3、输送介质粘度范围:2-10000 cst(厘斯)
4、泵送温度:100 ℃ (摄氏度)
5、容许高转速:2900 r/min (转/分钟)
●3GC水电行业专用三螺杆泵 水轮机调速装置 液压润滑装置专用三螺杆泵
3G25×4C 3G25×4C 3G25×4C 3G25×4C
3G25×6C 3G25×6C 3G25×6C 3G25×6C
3G36×3C 3G36×3C 3G36×3C 3G36×3C
3G36×3C2 3G36×3C2 3G36×3C2 3G36×3C2
3G36×3C2A 3G36×3C2A 3G36×3C2A 3G36×3C2A
3G36×5C-F 3G36×5C-F 3G36×5C-F 3G36×5C-F
3G36×3-F 3G36×3-F 3G36×3-F 3G36×3-F
3G36×3-FA 3G36×3-FA 3G36×3-FA 3G36×3-FA
3G36×3-FB 3G36×3-FB 3G36×3-FB 3G36×3-FB
3G45×3C2 3G45×3C2 3G45×3C2 3G45×3C2
3G45×3C2A 3G45×3C2A 3G45×3C2A 3G45×3C2A
3G45×4C2 3G45×4C2 3G45×4C2 3G45×4C2
3G45×4C2A 3G45×4C2A 3G45×4C2A 3G45×4C2A
3G70×3C2 3G70×3C2 3G70×3C2 3G70×3C2
3G70×3C2A 3G70×3C2A 3G70×3C2A 3G70×3C2A
3G70×4C2 3G70×4C2 3G70×4C2 3G70×4C2
3G85×3C2 3G85×3C2 3G85×3C2 3G85×3C2
3G85×4C2 3G85×4C2 3G85×4C2 3G85×4C2
3G25×4C 3G25×4C 3G25×4C
3G25×6C 3G25×6C 3G25×6C
3G36×3C 3G36×3C 3G36×3C
3G36×3C2 3G36×3C2 3G36×3C2
3G36×3C2A 3G36×3C2A 3G36×3C2A
3G36×5C-F 3G36×5C-F 3G36×5C-F
3G36×3-F 3G36×3-F 3G36×3-F
3G36×3-FA 3G36×3-FA 3G36×3-FA
3G36×3-FB 3G36×3-FB 3G36×3-FB
3G45×3C2 3G45×3C2 3G45×3C2
3G45×3C2A 3G45×3C2A 3G45×3C2A
3G45×4C2 3G45×4C2 3G45×4C2
3G45×4C2A 3G45×4C2A 3G45×4C2A
3G70×3C2 3G70×3C2 3G70×3C2
3G70×3C2A 3G70×3C2A 3G70×3C2A
3G70×4C2 3G70×4C2 3G70×4C2
3G85×3C2 3G85×3C2 3G85×3C2
3G85×4C2 3G85×4C2 3G85×4C2
远东泵业30多年来一直坚持为客户创造价值!
我们在努力了解您的需求,远东泵业提供给您的不仅仅是产品,还有的流体输送解决方案。为你解决流体输送的难题,让你省心又省力!如果有任何关于流体输送泵的疑问,请立即拨打远东泵业免费咨询热线:020-82375311,我们会为您提供贴心的服务!
全国服务热线:020-82375311
联系电话:020-82375311
传真:020-82386622
联系QQ:2853715911
公司地址:广州市黄埔区黄埔东路621号
【本文标签】:调速器高压螺杆油泵 3G70*6C2 高压螺杆泵
【责任编辑】:远东泵业 版权所有:http://lrryh.v6ts.cn/转载请注明出处