来源:远东泵业 发布日期
2020-05-16 08:53 浏览:-远东泵业35年专注高温熔体齿轮泵,高精度熔体计量泵,熔喷机计量泵,熔喷布泵,挤出机专用熔体泵,熔喷布专用计量泵,口罩机专用计量泵,熔喷无纺布泵生产厂家,生产的常规型号规格有:20CC 30CC 50CC 100CC高精度熔体计量泵。

上图为高温熔喷布计量泵
远东泵业是一家熔喷布计量泵、熔喷布换网过滤器设备提供商,为国内熔喷无纺布生产企业提供的计量、过滤设备。因目前市场对口罩供不应求,导致作为口罩的核心原料熔喷布已经无法满足市场需求。一些有条件的企业,开始转产熔喷布生产,这就了市场对熔喷布相关设备需求。

上图为螺杆挤出机与高温熔喷布泵选型配置表
熔喷布计量泵
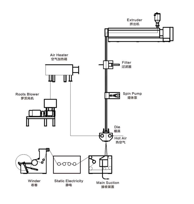
远东泵业为满足市场对熔喷布计量泵、熔喷布换网器的需求,工厂现在实行两班倒,大限度的满足熔喷布生产企业的需求。熔喷布生产工艺流程:原材料---->熔融挤出---->过滤---->计量(熔喷布专用计量泵)---->空气加热压缩---->熔喷---->成网---->收卷。


熔喷布生产工艺
其中过滤是指,通过换网过滤器将熔体中的杂质过滤掉,以免堵塞喷丝孔。计量是指,精确计量,控制产量和纤维的细度,将熔体连续均匀输送到喷丝头。熔喷布计量泵还具有稳定输出压力、提高产品质量、提高挤出产量、降低单位能耗等优势。如果您想咨询熔喷布计量泵、熔喷布换网过滤器,请咨询我们24小时服务热线020-82375311
远东泵业作为一家提供熔喷生产线上用熔喷布计量泵和熔喷换网器的高新技术企业,针对国内市场对熔喷布生产设备的需求,远东泵业早已经制定出熔喷生产线上用,熔喷布计量泵(PP熔喷计量泵、聚丙烯计量泵)和熔喷布换网过滤器的具体标准配置,以满足不同宽幅的熔喷布生产需求。
远东泵业提供的熔喷布计量泵具体型号为BART系列,提供的熔喷布换网过滤器型号为ZB系列,适合生产的熔喷布宽度为600mm、1200mm、1600mm、2400mm、3200mm。 熔喷布计量泵在熔喷生产线上的作用是:精确计量,控制产量和纤维的细度,将熔体连续均匀输送到喷丝头,这一环节是生产熔喷布的关键,决定熔喷布的品质。熔喷布生产线中如果没有安装熔喷计量泵和熔喷换网过滤器,熔喷布产品的品质是没有办法达到检验要求的。
熔喷布计量泵技术参数

熔喷布计量泵的泵体采用高温工具钢,加热系统采用电加热,密封采用螺旋密封加轴端水冷却。熔喷布换网器主体经特制合金材料经过严格的锻打、表面热处理和精密的金属加工工艺而成;熔喷布换网过滤器还采用高质量的热处理工艺和严格质量控制体系,确保熔喷布换网器使用的稳定性和耐久性。远东泵业近些年为国内无纺布装备制造企业提供了大批定制化的熔喷布计量泵,具有无脉动、计量准确、寿命长等优势。




远东泵业30多年来一直坚持为客户创造价值!
我们在努力了解您的需求,远东泵业提供给您的不仅仅是产品,还有的流体输送解决方案。为你解决流体输送的难题,让你省心又省力!如果有任何关于流体输送泵的疑问,请立即拨打远东泵业免费咨询热线:020-82375311,我们会为您提供贴心的服务!
全国服务热线:020-82375311
联系电话:020-82375311
传真:020-82386622
联系QQ:2853715911
公司地址:广州市黄埔区黄埔东路621号
【本文标签】:高温熔体齿轮泵 高精度熔体计量泵 熔喷机计量泵 熔喷布泵 挤出机专用熔体泵 熔喷布专用计量泵 口罩机专用计量泵 熔喷无纺布泵
【责任编辑】:远东泵业 版权所有:http://lrryh.v6ts.cn/转载请注明出处