来源:远东泵业 发布日期
2019-05-16 11:16 浏览:-点火油泵适用于锅炉燃烧,拌和沥青,各种燃烧器点火专用。高压力可达4Mpa,输送温度不超过200℃,粘度为5×10-6~10-3m2/s(5~1500cst)的各种用润滑性的介质。如重油、原油、工业轻油、柴油等。如输送具有腐蚀性,含纤维的介质,需定货时加以注明。RYB增压燃油泵(点火油泵)采用特殊材料及工艺,提高了齿轮的强度和耐磨性能,适用广泛,能替代进口点火泵。
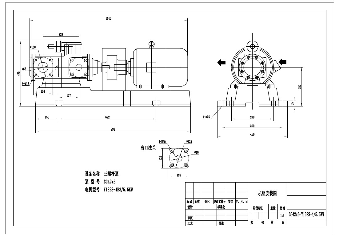
基础性柴油供油泵型号:3GR42*6Aw21螺杆泵
流量:3.6m3/h 压力:1.5MPa
转速:1440r/min 功率:5.5KW

点火油泵是一种新型的工业设备,常应用在发电厂,造船厂等行业里,主要就是点火油泵具有增压油泵,在应用的过程中可提高工作效率,减少成本等特点。小编现在的任务就是为大家说明一下点火油泵的应用优势及它的作用。
SMH80ER42E6.7W23点火油泵是一款柴油燃油输送泵,主要设计用于船舶和热电联产余热发电领域,特别适用于燃烧器增压系统和燃烧器喷射系统(造船厂和发电厂)。这种泵可输送普通柴油、船用柴油、船用汽油、低硫船用柴油、重燃料油、船用油。
SMH80R42E6.7W23三螺杆泵使用窑头点火油泵,燃油锅炉供油泵,增压油泵,增压泵。多伦煤化工,鹤壁煤化工,霍州煤电集团,平湖热电厂,宁波大榭开发区热电厂,芜湖海螺水泥,信义玻璃,和合玻璃,兴城热电,冀东水泥闻喜有限公司等大型水泥煤电煤化工建材单位有广泛的使用经验和技术基础。
新窑次挂窑皮,好使用轻柴油点火油泵SMH80R46E6.7W23和SMH120R42E6.7W23系列高压三螺杆泵,大型和超大型旋转窑一般采用SMH210R40E6.7W29点火油泵点火,其点火压力可以达到5Mpa。因为这样点火,柴油燃料在高压力下雾化效果好而且非常充分,燃烧就更加充分,保证了油煤混合燃烧,用煤量少,火焰温度高,煤粉燃尽率也高。
如果用木材点火,火焰温度低,初期喷出的煤粉只有挥发分和部分固定碳燃烧。煤粉中大部分固定碳未燃尽就在窑内沉降。而且木材燃烧后留下大量木灰,这些煤灰和木灰在高温作用下被烧融,粘挂在耐火砖表面,不利于粘挂、坚固、结实和稳定的窑皮。
窑头点火一般用浸油的棉纱包绑在点火棒上,点燃后置于喷嘴前下方,随后即刻喷油。待窑内温度稍高一些后开始喷人少量煤粉。在火焰稳定、棉纱包也快烧尽时,抽出点火棒。以后随着用煤量的增加,火焰稳定程度的提高,逐渐减少轻柴油的喷人量,直到全部取消。在此期间,窑尾温度应遵循升温曲线要求缓慢上升。
在RSP型分解炉上,为使RSP分解炉涡流分解室有足够的温度加速煤粉的燃烧,窑头点火前应将2个C4旋风筒排灰阀杆吊起。这样,窑尾部分高温废气可以进入涡流分解室经排灰阀、下料管人C4旋风筒,对涡流分解室起到预热升温的作用。
远东泵业30多年来一直坚持为客户创造价值!
我们在努力了解您的需求,远东泵业提供给您的不仅仅是产品,还有的流体输送解决方案。为你解决流体输送的难题,让你省心又省力!如果有任何关于流体输送泵的疑问,请立即拨打远东泵业免费咨询热线:020-82375311,我们会为您提供贴心的服务!
全国服务热线:020-82375311
联系电话:020-82375311
传真:020-82386622
联系QQ:2853715911
公司地址:广州市黄埔区黄埔东路621号
【本文标签】:柴油供油泵 柴油点火油泵 3GR42*6AW21螺杆泵
【责任编辑】:远东泵业 版权所有:http://lrryh.v6ts.cn/转载请注明出处