来源:远东泵业 发布日期
2019-07-15 10:37 浏览:-柴油汽车槽车来卸油,卸油泵选择多大的流量和扬程?卸车泵入口管径一般取多大?是根汽车槽车的卸车口大小相对应码?
汽车槽车的卸车口如果是DN65,那么它的卸车用的软管的另一头也能接DN80或者DN100的吧?前提是槽车自带相应的软管和快速接头。
本设计打算用2台卸车泵,设置6个接头接汽车槽车,可以几辆汽车一起卸油,也可一辆汽车单独卸油,这样的话卸车泵的流量怎么定?
卧式油泵,离心油泵,ISWB型油泵
一、HYZQ型卧式离心油泵概述
HYZQ防爆离心泵采用zui的水力模型,根据离心泵之性能参数和立式泵的特殊结构组合设计,并严格按照iso2858进行设计制造,该产品轴封选用硬质合金机械密封装置,具有节能、性能可靠、安装使用方便等特点。
二、HYZQ型离心油泵主要特点
HYZQ离心油泵运行平稳:泵轴的同心度及叶轮优异的动静平衡,保证平稳运行,绝无振动。
离心油泵滴水不漏:不同材质的硬质合金密封,保证了不同介质输送均无泄漏。
离心油泵噪音低:两个低噪音的轴承支撑下的水泵,运转平稳,除电机微弱声响,基本无噪音。
离心油泵故障率低:结构简单合理,关键部分采用*品质配套,整机无故障工作时间大大提高。
离心油泵维修方便:更换密封、轴承、简易方便。
离心油泵占地更?。撼隹诳上蜃蟆⑾蛴?、向上三个方向,便管道布置安装,节省空间。
三、HYZQ卧式防爆离心油泵主要用途
1、HYZQ型卧式离心泵供输送清水及物理化学性质类似于清水的其它液体之用,适用于工业和城市给排水、高层建筑增压送水、园林喷灌、消防增压、远距离输送、暖通制冷循环、浴室等冷暖水循环增压及设备配套,使用温度t≤80℃。
2、HYZQ型热水离心泵广泛适用于:冶金、化工、纺织、造纸以及宾馆饭店等锅炉热水增压循环输送及城市采暖系统,iswr型使用温度t≤120℃。
3、HYZQ化工离心泵供输送不含固体颗粒,具有腐蚀性、粘度类似于水的液体,适用于石油、化工、冶金、电力、造纸、食物制药和合成纤维等部门,使用温度为-20℃~+120℃。
4、HYZQ型离心油泵 供输送汽油、煤油、柴油等油类产品或易燃、易爆液体,被输送介质温度为-20~ +120℃。
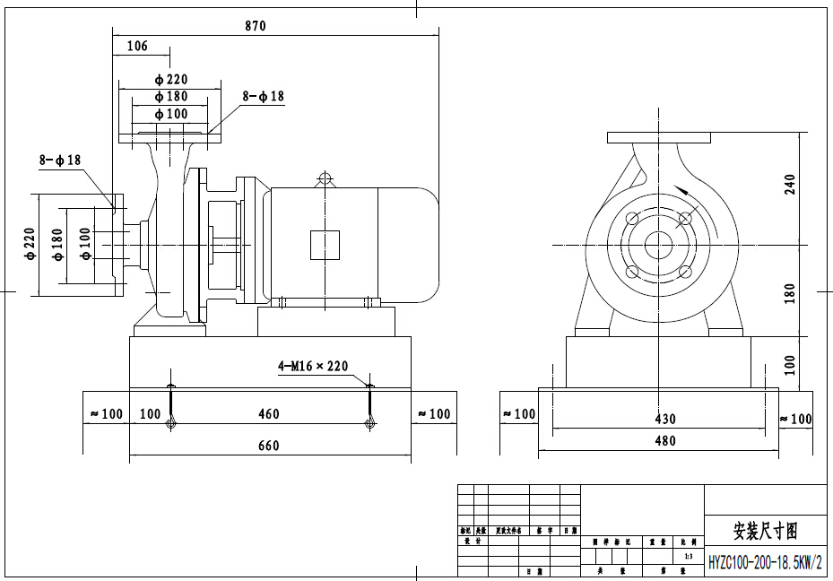
柴油装车泵 型号:HYZC100-200-18.5KW-2P卧式离心油泵 数量:5台
流量:80m3/h 扬程:37m 转速:2900r/min 功率:18.5KW 进出口径:DN100
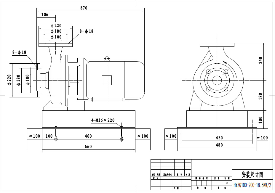
汽油装车泵 型号:HYZQ100-200-18.5KW-2P卧式离心油泵 数量:5台
流量:80m3/h 扬程:37m 转速:2900r/min 功率:18.5KW 进出口径:DN100
汽油卸车泵 型号:HYXQ100-125-15KW-2P 立式离心油泵 数量:4台
流量:80m3/h 扬程:21.8m 转速:2900r/min 功率:18.5KW 进出口径:DN100
柴油卸车泵 型号:HYXC100-125-15KW-2P 立式离心油泵 数量:4台
流量:80m3/h 扬程:21.8m 转速:2900r/min 功率:18.5KW 进出口径:DN100




远东泵业30多年来一直坚持为客户创造价值!
我们在努力了解您的需求,远东泵业提供给您的不仅仅是产品,还有的流体输送解决方案。为你解决流体输送的难题,让你省心又省力!如果有任何关于流体输送泵的疑问,请立即拨打远东泵业免费咨询热线:020-82375311,我们会为您提供贴心的服务!
全国服务热线:020-82375311
联系电话:020-82375311
传真:020-82386622
联系QQ:2853715911
公司地址:广州市黄埔区黄埔东路621号
【本文标签】:油罐车卸车泵 槽车卸车泵 油罐车装车泵 槽罐车装车泵
【责任编辑】:远东泵业 版权所有:http://lrryh.v6ts.cn/转载请注明出处