全国高端外围经纪人预约团队,200块三小时服务,附近喝茶,微信二维码200叫小妹

收藏本站在线留言网站地图远东泵业-您身边值得信赖的工业泵制造厂家!
服务热线:
电话 020-82375311

热门关键词:树脂泵泊头齿轮泵沥青泵燃油输送泵船用货油泵

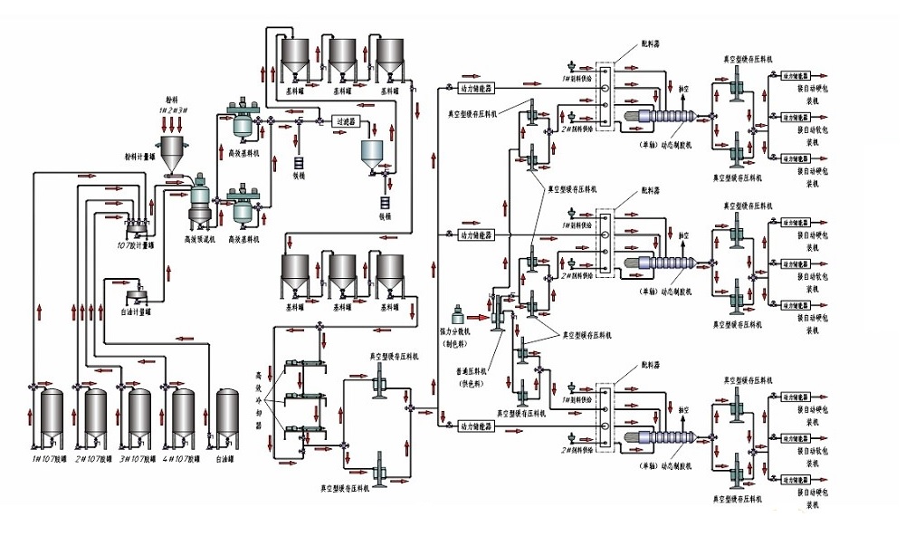
首页 » 远东资讯中心 » 行业资讯 » NYP220B-RU-T2-W11高粘度泵在玻璃胶行业流程工艺图

NYP220B-RU-T2-W11高粘度泵在玻璃胶行业流程工艺图

返回列表来源:远东泵业 发布日期 2017-10-12 14:29 浏览:-

NYP220B-RU-T2-W11高粘度泵在玻璃胶行业流程工艺图.硅酮玻璃胶从产品包装上可分为两类:单组份和双组份。单组份的硅酮胶,其固化是接触空气中的水分而产生物理性质的改变;双组份则是指硅酮胶分成A、B两组,任何一组单独存在都不能形成固化,但两组胶浆一旦混合就产生固化。目前市场上常见的是单组份硅酮玻璃胶。

NYP220B-RU-T2-W11

远东泵业30多年来一直坚持为客户创造价值!

我们在努力了解您的需求,远东泵业提供给您的不仅仅是产品,还有的流体输送解决方案。为你解决流体输送的难题,让你省心又省力!如果有任何关于流体输送泵的疑问,请立即拨打远东泵业免费咨询热线:020-82375311,我们会为您提供贴心的服务!

远东泵业官网微信全国服务热线:020-82375311
联系电话:020-82375311
传真:020-82386622
联系QQ:2853715911点击这里给我发消息
公司地址:广州市黄埔区黄埔东路621号

推荐阅读

【本文标签】:NYP220B-RU-T2-W11 NYP220B

【责任编辑】:远东泵业 版权所有:http://lrryh.v6ts.cn/转载请注明出处

最新资讯

1heavy oil pump 重油泵NYP320内啮合齿轮泵

2润滑脂高温螺杆泵SNH660R46U12.1W21三螺杆泵

3石蜡油输送泵RCB-20/0.6夹套保温不锈钢齿轮泵

4电子导热灌封胶输送泵NYP110RUT2W51G不锈钢高粘度泵流量5m3/h

5炔螨特原油输送泵RCB-8/1.2不锈钢夹套保温齿轮泵

6渣油泵Residual oil gear pumpConveying viscosity 380cst

7原油输送齿轮泵2CG-58/1.0防爆齿轮油泵

8锤度80-90Bx糖蜜输送泵NYPG115RUT3W11G高粘度泵

9聚脲彩砂美缝剂输送泵/环氧彩砂美缝剂输送泵

10VAE乳液输送泵W6Kse-90M1W77不锈钢双螺杆泵

全国服务热线020-82375311